Timetric Electric Low Voltage Power Distribution Pampasan Reaktif Kabinet Indoor GGJ Series, 50/60Hz tiga fasa sistem pengedaran kuasa empat wayar. Ia melakukan pampasan kuasa reaktif melalui sambungan automatik dan pemisahan bank kapasitor dan digunakan secara meluas dalam pencawang, kilang, perindustrian dan perlombongan, loji kuasa besar, loji minyak, loji kimia, loji pembuatan keluli besar, pusat kuasa bangunan tinggi kediaman, pampasan kuasa reaktif dan majlis-majlis lain.
Voltan Rendah Pengagihan Kuasa Kabinet Pampasan Reaktif Siri GGJ Indoor, Bahasa Inggeris GGJ adalah pengaturcaraan model, kod model yang diberikan dengan teratur, GGJ adalah kabinet pampasan kapasitor. Jenis GGJ Kuasa Reaktif Pampasan automatik biasanya sesuai untuk perusahaan perindustrian dan perlombongan dan AC 50Hz kediaman, tiga fasa 380V, sistem pengedaran kapasiti pengubah transformer 100kVA-1000KVA, sebagai pampasan kuasa reaktif. GGJ harus digunakan bersempena dengan panel pengedaran voltan rendah GGD.
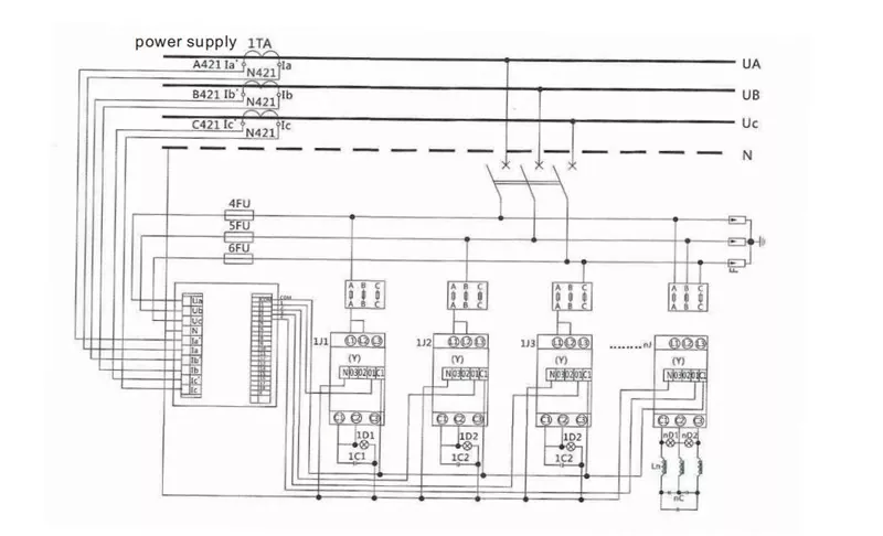
Pengagihan kuasa voltan rendah pengedaran pampasan reaktif Kabinet dalaman GGJ siri secara automatik boleh mengawal kapasitor berkumpulan untuk dimasukkan ke dalam atau dipotong daripada grid dalam 4-12 kumpulan (langkah) dalam 10-120s mengikut permintaan grid untuk pampasan kuasa reaktif, dengan itu merealisasikan pampasan kuasa reaktif automatik, menstabilkan kualiti voltan dan meningkatkan kualiti bekalan kuasa grid.
Voltan Rendah Pengagihan Kuasa Kabinet Pampasan Reaktif Dalaman GGJ Siri Kabinet Pampasan Reaktif Voltan Rendah Dalam pengeluaran perindustrian dan pertanian, terdapat sejumlah besar peranti reaktif, yang akan mengurangkan voltan sistem kuasa, meningkatkan kehilangan kuasa, dan dengan itu mempengaruhi kualiti kuasa. Oleh itu, peranti pampasan reaktif yang sepadan muncul. Kabinet pampasan reaktif voltan rendah GGJ dihasilkan secara khusus untuk pampasan reaktif voltan rendah.
| Item | Unit | Nilai |
| Voltan dinilai | V | 220/400/690 |
| Kekerapan yang dinilai | Hz | 50/60 |
| Julat voltan yang berkenaan | 0.85-1.1 kali voltan undian | |
| Arus maksimum yang dibenarkan |
|
1.3 kali arus yang dinilai |
| Kuantiti gelung kawalan |
|
1-16 gelung |
| Mod kerja |
|
bekerja secara automatik dan berterusan |
| Penapis Harmonik Aktif |
|
Ya |
Voltan Rendah Pengagihan Kuasa Kabinet Pampasan Reaktif Dalaman GGJ Siri Keadaan Alam Sekitar
Suhu ambien: -40 ℃ ~+50 ℃;
Kelembapan relatif: tidak lebih daripada 95%;
Ketinggian: Tidak lebih daripada 2000m;
Voltan operasi maksimum: Tidak lebih daripada 110% daripada voltan yang diberi nilai (kecuali proses peralihan);
Semasa operasi maksimum: tidak lebih daripada 1.3 kali arus yang diberi nilai (kecuali proses peralihan);
1. Pengagihan kuasa voltan rendah Kabinet pampasan reaktif dalaman GGJ Series AC pengedaran kuasa voltan rendah Switchgear Lengkap mengamalkan bentuk kabinet universal. Bingkai kabinet diperbuat daripada keluli sejuk 8mf dan sebahagiannya dikimpal. Bahagian bingkai dan bahagian sokongan khas semuanya dihasilkan dan dibekalkan oleh syarikat kami untuk memastikan ketepatan, kualiti dan masa penghantaran kabinet. Bahagian kabinet sejagat direka mengikut prinsip modular, dan terdapat 20 lubang pemasangan modul dengan pekali sejagat yang tinggi. Kilang itu dapat merealisasikan pra-pengeluaran. Ia bukan sahaja memendekkan kitaran pengeluaran dan pembuatan, tetapi juga meningkatkan kecekapan kerja.
2. Pengagihan kuasa voltan rendah Kabinet pampasan reaktif siri GGJ dalaman sepenuhnya menganggap masalah pelesapan haba semasa operasi kabinet. Terdapat bilangan slot pelesapan haba yang berlainan di bahagian atas dan bawah kabinet. Apabila komponen elektrik di dalam kabinet dipanaskan, haba naik dan dilepaskan melalui slot atas, sementara udara sejuk terus diisi semula ke dalam kabinet dari slot yang lebih rendah, supaya kabinet yang dimeteraikan membentuk saluran pengudaraan semulajadi dari bawah ke atas untuk mencapai tujuan pelepasan haba.
3. Selaras dengan keperluan reka bentuk produk perindustrian moden, pengagihan kuasa voltan rendah Kabinet pampasan reaktif dalam siri GGJ dalaman mengamalkan kaedah nisbah emas untuk mereka bentuk bentuk kabinet dan saiz pembahagian setiap bahagian, menjadikan seluruh kabinet cantik dan murah hati.
4. Pintu kabinet disambungkan ke bingkai dengan engsel aci berputar, yang mudah dipasang dan dibongkar. Jalur plastik getah berbentuk gunung tertanam di pinggir pintu. Apabila menutup pintu, jalur di antara pintu dan bingkai mempunyai strok mampatan tertentu, yang boleh menghalang pintu dari terus berlanggar dengan badan kabinet dan meningkatkan tahap perlindungan pintu.
5. Pintu instrumen yang dilengkapi dengan komponen elektrik disambungkan ke bingkai dengan pelbagai helai tembaga lembut. Bahagian pemasangan di kabinet disambungkan ke bingkai dengan pencuci knurled, dan seluruh kabinet merupakan sistem perlindungan asas yang lengkap.
6. Permukaan kabinet dirawat dengan serbuk semburan elektrostatik voltan tinggi. Ia mempunyai lekatan yang kuat dan tekstur yang baik. Seluruh kabinet adalah matte, yang menghindari kesan silau dan mewujudkan persekitaran visual yang lebih baik dan lebih selesa untuk kakitangan yang bertugas.
7. Sampul atas kabinet boleh dikeluarkan apabila perlu untuk memudahkan perhimpunan dan pelarasan bas utama di tapak. Empat sudut bahagian atas kabinet dilengkapi dengan mengangkat cincin untuk mengangkat dan penghantaran.
8. Tahap perlindungan kabinet adalah IP30, dan pengguna juga boleh memilih antara IP20 ~ IP40 mengikut keperluan persekitaran penggunaan.

A1: Bolehkah syarikat anda menyesuaikan produk mengikut keperluan saya?
S1: Ya, kita boleh menyesuaikan produk mengikut keperluan pelanggan. Secara umumnya, pelanggan hanya perlu menyediakan: susun atur litar, voltan, arus, dll.
A2: Awhat adalah masa penghantaran terpantas anda?
S2: Biasanya, kami menerima pertanyaan pelanggan. Selepas parameter teknikal kabinet suis disambungkan, ia mengambil masa 1-2 hari untuk mengeluarkan senarai harga dan berkomunikasi dengan pelanggan tentang pengeluaran dan masa penghantaran berdasarkan keadaan sebenar.
A3: Bagaimana perkhidmatan selepas jualan anda?
S3: Kami menyokong jaminan 1 tahun. Petikan biasa tidak termasuk perkhidmatan selepas jualan di tapak. Komunikasi dan bimbingan dalam talian percuma disediakan.